JAMB - Physics (2004)

1
A generator manufacturing company was contracted to produce an a.c dynamo but inadvertently produced a d.c dynamo. To correct this error, the
Answer
(B)
commutator should be replaced with slip ring
2
A radioisotope has a decay constant of 10\(^{-7}\)s\(^{-1}\). The average life of the radioisotope is
Answer
(B)
6.93 x 106s
3
An a.c circuit of e.m.f 12V has a resistor of resistance 8Ω connected in series to an inductor of inductive reactance 16Ω and a capacitor capacitive reactance 10Ω. The current flow in the circuit is
Answer
(B)
1.2A
4
For semi conductor to have negative temperature coefficient of resistance implies that
Answer
(A)
their resistance decrease with temperature
5
X rays can be used in the study of crystal structure because they
Answer
(B)
have extremely short wavelength
6
A moving coil galvanometer has a full-scale deflection of 3A equivalent to 30o deflection. The sensitivity of the instrument is
Answer
(D)
10.0
7
The particle and wave nature of matter are demonstrated in the equation
Answer
(B)
λ = h/P
8
In a reverse biased junction diode, current flows in by
Answer
(D)
minority carriers
9
In a tuned radio receiver R, L, C series circuit for resonance, the inductive and capacitive reactance XL and XC respectively are related as
Answer
(A)
XL = XC
10
The binding energy of helium 4He is
2

[atomic mass of proton = 1.00783U,
atomic mass of neutron = 1.00867U]
Answer
(C)
0.033U
11
Flourescent tubes produces light by the
Answer
(A)
excitation of gas molecules
12
The energy stored in an inductor of inductance 5mH when a current of 6A flows through it is
Answer
(B)
9.0 x 10-2J
13
Which of the following is an electrolyte?
Answer
(C)
Grape fruit
14
A steady current of 2A flows in a coil of emf 12V for 0.4s. A back emf of 3V was induced during this period. The stored energy in the loop that can be utilized is
Answer
(B)
2.4J
15
The instrument used for securing a large number of similar charges by induction is called
Answer
(A)
electrophorus
16
If 16mA of current flows through a conductor in one second, the number of electron transported per seconds is
[1 electronic charge = 1.6 x 10-19C]
Answer
(D)
1.00 x 1017
17
Electrical appliances at home are normally earthed so that?
Answer
(C)
a person touching the appliances is safe from electric shock
18
Given three capacitors 0.3μF, 0.5μF and 0.2μF, the joint capacitance when arranged to give minimum capacitance is
Answer
(A)
0.1μF
19
The difference between X-rays and gamma rays is that
Answer
(D)
x-rays arise from energy changes in the electronic structure of atoms while gamma rays come from the nucleus
20
To protect a material from the influnce of an external magnetic field, the materials should be kept
Answer
(C)
soft iron ring
21
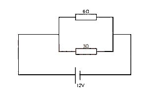
In the diagram above, the ratio of he electric power dissipated in the 6Ω and the 3Ω resistor respectively is
Answer
(D)
1:2
22
If the angle between two vector P and Q is Oo, the vectors are said to
Answer
(C)
be parallel
23
A body of mass 4kg is acted on by a constant force of 12N for 3 seconds. The kinetic energy gained by the body at the end of the time is
Answer
(B)
162J
24
A machine whose efficiency is 60% has a velocity ratio of 5. If a force of 500N is applied to lift a load P, what is the magnitude of P?
Answer
(A)
1500N
25
I. Jet propelled aircraft
II. Rocket propulsion
III. The recoil of a gun
IV. A person walking

Which of the above is based on Newton's third law of motion
Answer
(B)
I, II, III, and IV only
26
In a hydraulic press , a force of 40N is applied on the effort piston of area 0.4m2. If the force exerted on the load piston is 400N, the area of the large piston is
Answer
(A)
4m2
27
A 100kg box is pushed along a road with force of 500N. If the box moves with a uniform velocity, the coefficient of friction between the box and the road is
Answer
(D)
0.5
28
As the pressure of a fluid increases, its viscosity
Answer
(B)
increases
29
the diagram above shows forces 4N, 6N, 10N and 8N which act at a point O in the directions indicated. the net horizontal force is
Answer
(A)
13N
30
The earth is four times the size of the moon and the acceleration due to gravity on the earth is 80 times that on the moon. The ratio of the mass of the moon to that of the earth is
Answer
(A)
1:80
31
In which of the following material media will sound travel fastest?
Answer
(B)
metal
32
What types of mirror are capable of producing parallel beams of light such as those arising from the headlamps of a car?
Answer
(A)
Parabolic mirrors
33
What happens to the rays in a parallel beam of light?
Answer
(D)
They meet at infinity.
34
A ray of light makes an angle of 35o with a plane mirror. What is the angle of reflection?
Answer
(B)
55o
35
A person can focus an object only when it lies within 200cm from him. Which spectacles should be used to increase his maximum distance of distinct vision infinity
Answer
(C)
Concave lens
36
The pitch of a sound note depends on
Answer
(B)
frequency
37
If u is the object distance and v the image distance, which of the following expressions gives the linear magnification produced by a convex lens of focal length f?
Answer
(D)
v/f - 1
38
The refractive index of the medium M in the diagram above is
Answer
(C)
√3
39
When left in a freezer, a bottle full of water cracks on freezing into ice because of the
Answer
(A)
increase in the volume of water
40

The phase difference between waves P and q in the diagram above is

Answer
(D)
π/2
41
The change in volume when 450kg of ice is completely melted is
[density of ice = 900 kgm-3, density of water = 1000 kgm-3]
Answer
(C)
0.05m3
42
Tea pots are often silver-coated to prevent heat loss by
Answer
(D)
radiation only
43
I. Wavelength
II. Medium of propagation
III. Wave velocity
IV. Frequency
V. Energy

Which of the above are used for characterizing waves?
Answer
(C)
I, III and IV
44
A 50W electric heater is used to heat a metal block of mass 5kg. If in 10 minutes a temperature rise of 12oC is achieved, the specific heat capacity of the metal is
Answer
(B)
500 J kg-1K-1
45
Metal rods of length 20m each are laid end to end to form a bridge at 25oC. What gap will be provided between consecutive rails for the bridge to withstand 75oC?
[Linear expansivity of the material = 2.0 x 10-5K-1
Answer
(D)
0.02m