JAMB - Physics (2004 - No. 21)

2:1
2:2
1:3
1:2
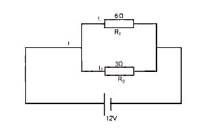
Explanation

and I = E/R
But effective Parallel resistance: is given by:
1/R = 1/6 + 1/3 = 1+2/6 = 3/6 => R = 6/3 = 2Ω
Current I = E/R = 12/2 = 6A
But I1 = (R1/R1+R2) x 1 = 3/9 x 6 = 2A
again I1 = (R1/R1+R2) x 1 = 6/9 x 6 = 4A
∴P1 = I12 R1 = 2 x 2 x 6 = 24W
P2 = I22 R2 = 4 x 4 x 3 = 48W
thus P1/P2 = 24/48 = 1/2 ; OR P1 : P2 = 1:2
Comments (0)


