WAEC - Physics (2010)

1
Which of the following properties of a long steel bar would alter if the bar were melted, recast into a cube and allowed to cool to its original temperature?
Answer
(B)
volume
2
Which of the following instruments is best for measuring the diameter of a thin constantan wire?
Answer
(C)
micometer screw guage
3
What is the density of a fuel of relative density 0.72? [Density of water = 1000kg m-3]
Answer
(B)
720 kgm-3
4
The types of motion which a cylindrical drum rolling down an inclined plane undergoes are
Answer
(B)
rotational and translational
5
Which of the following statements about static friction is correct? It
Answer
(C)
depends on the relative motion between the surface in contact
6
Which of the following statements about moving particle is correct?
Answer
(A)
if the resultant force acting on the particle is zero, then it is in dynamic equillibrium
7
Two cars X and Y travelling in opposite directions along the same high way at uniform velocities 110 kmh-1 and 90kmh-1 respectively pass each other at a certain point. The velocity of X relative to Y at the time they pass each other is
Answer
(A)
200 kmh-1
8
The average speed of an object is determined by dividing the sum of its initial and final speeds by two only when the acceleration is
Answer
(B)
uniform
9
a body is projected horizonatlly from the top of a cliff 45m above the ground. if the body lands at a distance 30m from the foot of the cliff, calculate the speed of projection. [g = 10ms-2]
Answer
(A)
10ms-1
10
Which of the following statements best describes a rigid body? A body which
Answer
(A)
is not equally deformed
11
simple harmonic oscillator has a period of 0.02s and amplitude of 0.25m. Calculate the speed in ms-1 at the centre of the oscillation
Answer
(B)
25.00\(\pi\)
12
A vertical string, suspended from a fixed point and having a small mass attached to the free end is set into oscillations. Which of the following statements about the system are correct? i. The potential energy of the mass is a minimum at the middle of the swing ii. Its kinetic energy is a maximum at the middle of the swing iii. The sum of the potential and kinetic energies is constant throughout the swing
Answer
(C)
ii and iii only
13
A moving body of mass 25.0kg undergoes a uniform retardation of 20.0ms-2. Calculate the magnitude of the retardating force
Answer
(D)
500.00N
14
Which of the following sources of energy is/are exhausible? i. Solar ii. Fossil fuels iii. Tidal power
Answer
(D)
ii only
15
a machine is said to be a third class lever when the
Answer
(C)
effort is between the fulcrum and load
16
a thermometer records 680 mmHg at steam point and 440 mmHg at ice point. The temperature it records at 380 mmHg is
Answer
(A)
-25oC
17
The advantages of the thermoelectric thermometer include the following characteristics except that it
Answer
(D)
is fairly sensitive
18
In a thermos flask, heat loss by radiation is minimizes by the
Answer
(A)
silvered surfaces
19
The pressure P, volume V, and absolute temperature T of a given mass of an ideal gas change simultaneously. Which of the followng equations is correct about the gas?
Answer
(D)
\(\frac{I}{T} = \frac{constant}{PV}\)
20
Specific heat capacity 36.4 Jkg-1 K-1 of a body means that when 36.4J of heat energy is supplied to a body of
Answer
(C)
mass 1kg, the temperature rises by 1K
21
An electric drill rated 400W is used to drill a hole in copper of mass 400g in 20s. Calculate the rise in temperature if all the heat produced is absorbed by the copper. [specific heat capacity of copper = 400Jkg-1K-1]
Answer
(C)
50oC
22
A solid of mass 0.5kg initially at 50oC melts at 60oC. Calculate the quantity of heat required to melt it completely. [specific heat capacity of the solid =2.0KJ kg-1K-1][Specific latent heat of fusion of solid =1.0 KJ kg-1]
Answer
(C)
10500J
23
Dew point is not affected by
Answer
(B)
wind
24
A certain wave has a speed of 20ms-1. If the frequency of the wave is 0.25Hz, calculate the distance between successive crests of the wave
Answer
(D)
80.0m
25
The ability of a wave to spread around corners is called
Answer
(C)
diffraction
26
The following devices use plane mirrors in their operations, except
Answer
(D)
binoculars
27
When an object is placed at the principal focus of a concave mirror, the location of the image formed is
Answer
(C)
at infinity
28

From the diagram, the correct equation for the refractive index n of the medium is

Answer
(A)
n = tan i
29
A ray of light travels from air to water. The refeactive index of water is given by the expression
Answer
(D)
\(\frac{\text{wavelength in air}}{\text{wavelength in water}}\)
30
A lens that is thinner at the middle and thicher at the edges is
Answer
(A)
diverging
31
Which of the following electromagnetic wave has the longest wavelength?
Answer
(A)
radio-waves
32
The amplitude of a sound wave determines its
Answer
(C)
loudness
33
As the air column of length L in an air pipe decreases, the frequency of the sationary wave emitted
Answer
(A)
decreases
34
A positively charged glass rod is placed near the cap of a positively charged electroscope. The divergence of the leaf is observed to
Answer
(B)
increase
35
Capacitors are used in the following devices, except
Answer
(C)
electric irons
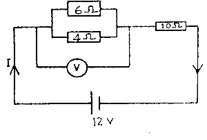
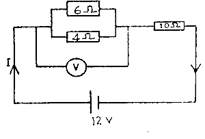
36
Use the diagram above to calculate the current, I.
Answer
(B)
0.97A
37

Determine the potential difference. V across the parallel resistors

Answer
(B)
2.3V
38
A galvanometer of internal resistance 50\(\Omega\) and full scale deflection of 20 mA is converted into a voltmeter by connecting a resistor of resistance 1950\(\Omega\) in series to it. Calculate the maximum voltage that can be read by the voltmeter
Answer
(D)
40V
39
In the wiring of houses, the fuse is connected to the wire coloured
Answer
(B)
brown
40
Which of the following factors does not affect the electric resistance of wire?
Answer
(B)
mass
41
Which of the following factors will increase the sensitivity of moving coil meter?
Answer
(D)
soft iron core
42
In order to prevent bar magnets from losing their strength, they are stored wih keepers such that the two bars are placed with
Answer
(C)
unlike poles facing each other and the keepers placed at their ends
43
The energy, E stored in an inductor of inductance L when current I passes through it is given by the equation
Answer
(B)
E = LI2
44
The resonant frequency of an a.c circuit is 1000 kHz. If each of the capacitance and inductance in the circuit is reduced by 50%, and no other changes are made, the resonant frequency will become
Answer
(D)
2000kHz
45
Eddy currents can be reduced by
Answer
(C)
creating holes in the metal plates