WAEC - Physics (1996)

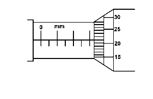
1

The diagram above represents a portion of a micrometer screw gauge in which the horizontal scale is in millimetres. What is the reading on the instrument?

Answer
(E)
3.22mm
2
A loaded test-tube which floats upright in water is carefully and slightly depressed and then released. Which of the following best describes the sub-sequent motion of the test-tube?
Answer
(D)
Oscillatory
3

The diagram above illustrates the velocity-time graph of the motion of a body. Calculate the total distance covered by the body

Answer
(D)
225m
4
A ball of mass 5.0kg hits a smooth vertical wall normally with a speed of 2ms-1 and rebounds with the same speed. Determine the impulse experienced by the ball
Answer
(A)
20.0kg ms-1
5
A rocket is launched from the surface of the earth. If the radius of the earth is 6.4 x 106m and the acceleration of free fall due to gravity is 1Oms-1 calculate the escape velocity of the rocket.
Answer
(B)
1.13 x 104ms
6
The velocity ratio and efficiency of a system of pulleys are 6 and 80% respectively. How much effort is required to lift a load of mass 120kg with this system? (g=10ms-2)
Answer
(D)
250N
7
Two spanners X and Y of lengths 15cm and 20cm respectively are used in turn to give a screw of pitch 2mm one complete rotation. If Rx and Ry are the respective velocity ratios of the spanners then the ratio Rx : Ry is
Answer
(C)
3:4
8
The magnitude of the force required to make an object of mass M move with speed V in a circular path of radius R is given by the expression.
Answer
(C)
mv2/r
9
A body of mass 4.2kg moving with velocity 10ms-1 due east, hits a stationary body of mass 2.8kg. If they stick together after collision and move with velocity V due east, calculate the value of V
Answer
(B)
6ms-1
10
A body of mass 2kg is suspended from the ceiling of a lift with a light inextensible string. lf the lift moves upwards with acceleration of 2ms-2, calculate the magnitude of the tension in the string (g = 1Oms-2)
Answer
(A)
24N
11
A stationary object of mass 4kg is set in motion by a net force of 5ON. If the object attains is speed of 5ms-1 in time. Calculate the value of t.
Answer
(B)
0.40s
12
Two simple pendula x and y make 400 and 500 oscillations respectively in equal time. If the period of oscillation of x is 1.5 seconds, what is the period of oscillation of y?
Answer
(C)
1.20s
13
A platinum-resistance thermometer has a resistance of 5Ω at 0°C and 9Ω at l00°C. Assuming that resistance changes uniformly with temperature, calculate the resistance of the thermometer when the temperature is 45°C.
Answer
(C)
6.8 Ω
14
The linear expansivity of a metal P is twice that of another metal Q. When these materials are heated through the same temperature change, their increase in length is the same. Calculate the ratio of the original length of P to that of Q.
Answer
(B)
1:2
15
The pressure of a fixed mass of gas is 2.0 x 105Nm-2 at a known temperature. Assuming that the temperature remains constant, what will be the pressure of the gas if its volume is halved?
Answer
(D)
4.0 x105Nm-2
16
Which of the following statements is not correct?
Answer
(D)
lf a body is cooled, molecular movement remains constant.
17
A 400W immersion heater is used to heat a liquid of mass 0.5kg. lf the temperature of the liquid increases by 2.5oC in one second, calculate the specific heat capacity of the liquid (Neglect heat losses to the surroundings)
Answer
(B)
320Jkg-1K-1
18
What is the difference in the amount of heat given out by 4kg of steam and 4kg of water when both are cooled from 100oC to 80oC? (Specific latent heat of steam = 2.260,000J kg-1) (Specific heat capacity of water =4,200 J kg-1)
Answer
(C)
8,704,000J
19
The heating element in an electric kettle is usually located near the bottom of the kettle because
Answer
(D)
the convectional currents which are set up can carry heat to all parts of the water
20
The inside of a vacuum flask is usually coated with silver to reduce heat lost by
Answer
(C)
radiation
21
The saturated vapour pressure of a liquid increases as the
Answer
(C)
temperature of the liquid increases
22
Cloud formation is the direct result of
Answer
(B)
vaporization
23
Water boils at a lower temperature when heated at the top of a mountain than at sea-level because at the top of the mountain the
Answer
(E)
pressure of the atmosphere is lower
24
The main reason why rice cooks faster in a pressure cooker than in cooking pot is that
Answer
(E)
the boiling point of water in the cooker is raised.
25
In which of the following media would sound waves travel fastest?
Answer
(D)
lron
26
A ray of light strikes a plane mirror at a glancing angle of 50o. Calculate the angle between the incident and reflected rays
Answer
(D)
80o
27
A boy walks away from a plane mirror at a speed of 3 ms-1 in a direction normal to the surface of the mirror. At what speed is his image approaching him?
Answer
(B)
6.0ms-1
28
The graph above shows the relationship between sin i and sin r for a ray of light in air incident on a liquid surface. If i and r are respectively angles of incidence and refraction, deduce the refractive index of the liquid from the graph
Answer
(D)
1.25
29
When a ray of light is incident normally on an air- glass interface, its angle of refraction is
Answer
(A)
0o
30
A ray of light is incident on a glass block as shown in the diagram above. If the reflected and the retracted rays are perpendicular to each other, what is the refractive index of the glass relative to air.?
Answer
(E)
1.48
31
When a ray of light is incident normally on an air- glass interface, its angle of refraction is
Answer
(A)
0o
32
The refractive index of a medium relative to air is 1.8. Calculate the critical angle for the medium to the nearest degree.
Answer
(B)
34o
33
A converging lens of focal length 5cm forms a virtual image which is 10cm from the lens. How far from the lens is the object?
Answer
(B)
3.3cm
34
Which of the following instruments produces sound by the vibration of air column?
Answer
(C)
Flute
35
The walls and ceilings of many standard auditoria are covered with perforated pads to
Answer
(C)
reduce the effect of reverberations of sound waves
36
A string of length 1.0 m vibrates in 10 loops. If the total mass of the string is 1.0 x 10-3 kg and the tension in it is 10N, calculate the frequency of the vibration.
Answer
(A)
50Hz
37
The distance between two successive crests of a water is 1m. lf a particle on the surface of the water makes two complete vertical oscillations in 1 second, calculate the speed of the wave
Answer
(C)
2.0ms-1
38
A sound wave of velocity 350 ms-1 is directed towards the surface of water. lf the ratio of the wavelength of sound in water to that in air is 425:100, calculate the velocity on the wave in water
Answer
(D)
1487.5ms-1
39
The speed of sound in air is 330ms-1. How far from the centre of a storm is an observer who hears a thunder clap 2s after the lightning flash? (Neglect the time taken by light to travel to the observer)
Answer
(C)
600m
40

The diagram above illustrates a variation of the displacement y of a wave particle with time t. lf the velocity of wave is 250ms-1, calculate the distance between two successive particles which are in phase

Answer
(D)
5.0m
41
The diagram above represents a stationary wave set up in a string which is fixed at both ends. lf the frequency of the wave is 256Hz and the distance N1 N2 equals 1.5m, calculate the speed of the wave.
Answer
(D)
768ms-1
42
CalcuIate the power delivered by a 3-phase line if its voltage and current at 132KV and 60A respectively.
Answer
(B)
7.92 x 106W
43
The main function of the mouth of a telephone is to convert sound energy into
Answer
(D)
electrical energy
44
Which of the following is not a component of a d.c. electric motor?
Answer
(C)
Slip rings
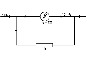
45
The diagram above illustrates the conversion of a galvanometer of resistance 29 to an ammeter. The galvanometer gives a full-scale deflection for a current of 10mA. Calculate the value of R.
Answer
(E)
2.0 x 10-3 Ω
46
A wire of length 100cm and cross-sectional area of 2.0 x 10-3cm2 has a resistance of 0.10 Ω. Calculate its electrical conductivity.
Answer
(D)
5.0 x 105Ω-1cm-1
47
Lenz's law of electromagnetic induction states that
Answer
(B)
the induced current in a conductor is in such a direction as to oppose the change producing it
48
A cell of e.m.f. 1.5V is connected in series with a resistor of resistance 39. A high-resistance voltmeter connected across the cell registers only 0.9V. Calculate the internal resistance of the cell
Answer
(B)
2.0Ω
49
Soft iron is used in making the armature of an electric bell because it
Answer
(B)
Loses its magnetism readily
50
The diagram above illustrates an isolated metal sphere carrying charge W in a medium whose permittivity is so. The magnitude of the electric field intensity at P can be expressed as
Answer
(B)
Q/(4πεor2)
51
The electric potential at point P in the diagram above can be expressed as
Answer
(C)
Q/(4πεor)
52
Calculate the amount of heat generated in an external load of resistance  8Ω if an alternating current of peak value 5A is passed through for 100s.
Answer
(B)
10,000J
53
ln the diagram above, the resistor has a resistance 8 Ω while the reactances of the inductor and the capacitor are 10 Ω and 16 Ω respectively Calculate the current in the circuit
Answer
(E)
13.0A
54
The resistance in a series R-C circuit is 5 Ω. If the impedance of the circuit is 13 Ω, calculate the reactance of the capacitor
Answer
(E)
12 Ω
55
What is the decay constant of a radioactive element whose half-life is 3 seconds
Answer
(B)
0.23s-1
56
Which of the following substances is most viscous at room temperature?
Answer
(D)
Palm oil
57
Which of the following is not part of the electromagnetic spectrum?
Answer
(D)
Alpha particle
58
Which of the following is used in a nuclear reactor to slow down fast-moving neutrons?
Answer
(E)
Boron rods
59
Which of the following is used in a nuclear reactor to slow down fast-moving neutrons?
Answer
(D)
Graphite rods
60
Which of the following particles/rays do not originate from the nucleus of an atom?
Answer
(E)
X-rays