WAEC - Physics (1990)

1
Which of the following instruments is suitable for making the most accurate measurement of the internal diameter of a test tube?
Answer
(B)
A pair of callipers
2
A particle of mass 2.5 x 10-6kg revolving around the earth has a radial acceleration of 4 X 107 ms-2. What is the centripetal force of the particles?
Answer
(D)
1.00x102N
3
An oscillating pendulum has a velocity of 2ms-1 at the equilibrium position O and velocity at same point P. Using the diagram above, calculate the height of P above O. (Take g = 10ms2)
Answer
(D)
0.2m
4
Which of the following are contact forces? I. Force of tension II. Force of fiction, III. Magnetic force III Force of reaction.
Answer
(B)
I, II and IV only
5
A plane inclined at an angle at 30o to the horizontal has an efficiency of 50%. The force parallel to the plane required to push a load of 120 N uniformly up the plane is
Answer
(C)
120N
6
The diagram above represents a portion of a micrometer screw 20 gauge. What is its reading?
Answer
(E)
3.17mm
7
A girl whose mass is 55kg stands on a spring - weighing machine inside a lift. When the lift starts to ascend, its acceleration is 2ms1. What will be the reading on the machine? (Take g = ms-2)
Answer
(A)
66 kg
8
Two forces each of 4 N act on the opposite sides of a rectangular plate as shown in the diagram above. Calculate the magnitude of g the couple acting on the plate.
Answer
(C)
1.6 Nm
9

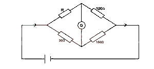
A force F is applied to a body P as shown in the diagram above. If the body P moves through a distance r, which of the following represents the work done?

Answer
(E)
Fx cosθ
10
An object R leaves a platform XY with a horizontal velocity of 7m-1 and lands at Q. lf it takes the same object 0.3s to fall freely from Y to P, calculate the distance PQ.(Take g = 1Oms2)
Answer
(C)
2.10m
11
A simple pendulum makes 50 oscillations in one minute. What is its period of oscillation?
Answer
(D)
1.20s
12
The body P shown in the diagram above is in equilibrium. If the mass Q of the body is 10kg, calculate the tension T in the string. (Take g = 10ms2)
Answer
(E)
200N
13
An object weighs 10.0 N in air and 7.0 N in water. What is its weight when immersed in a liquid of relative density 1.5?
Answer
(C)
5.50N
14
The absolute zero temperature is defined as the temperature at which
Answer
(A)
thermal motion ceases
15
A cube made of a metal of linear expansivity is warmed through a temperature of t. lf the initial volume of the cube is V what is the increase in volume of the cube?
Answer
(E)
3α Vt
16
Dry hydrogen is trapped by pellet of mercury in a uniform capillary tube closed at one end. If the length of the column of hydrogen at 27°C is 1.0m, at what temperature will the length be 1.20m?
Answer
(D)
87.0oC
17
Two solids P and Q of equal mass are heated to the same temperature and dropped simultaneously into two identical containers X and Y containing equal volumes of water at room temperature. The temperature of X will rise higher than that of Y only if the
Answer
(B)
specific heat capacity of P is higher than that of Q
18
lf the temperature of a small quantity of water in a closed container is gradually increased from 0o to 40oC then the density of the water within this range
Answer
(A)
increases for a while and then decreases
19
How much heat is given out when a piece of iron of mass 50g and specific heat capacity 460 Jkg-1k-1 cools from 85oC to 25oC?
Answer
(D)
1.38x103J
20
Heat transfer by convection in a liquid is due to the
Answer
(A)
translatory motion of the molecules of the liquid
21
Which of the following is not a suitable method for reducing loss of heat from a piece of hot iron?
Answer
(B)
painting it black
22
When the direction of vibration of the particles of a medium is perpendicular to the direction of travel of a wave the wave transmitted is known as
Answer
(B)
transverse wave
23
A bat emits a sound wave at a speed of 1650.0ms-1 and receives the echoes 0.15s later. Calculate the distance of the bat from the reflector
Answer
(D)
123.75m
24
A tuning fork sounds louder when its stem is pressed against a table top than when held in air because
Answer
(C)
the whole table has acquired a larger frequency
25
Which of the following is/are characteristics of sound? I Pitch II. Loudness III. Quality IV Noise
Answer
(D)
l, II and III only
26
The diagram above represents part of a wave motion in air. If the wave travels with a speed of 300ms-1calculate the frequency of the wave.
Answer
(C)
250Hz
27
Which of the following is/are necessary for the production of interference with two wave trains? I. The sources must be close to each other. II The waves must have the same frequency. III. The waves must have the same amplitude. IV. The waves must travel with the speed of light.
Answer
(B)
I, II and III only
28
A stone is dropped into the middle of a pool of water. Which of the following statements is/are correct? I, Spherical waves are set up in the water. II. The water moves outwards to the sides of the pool. III. Energy is transmitted outwards from the centre of disturbance
Answer
(D)
I and III only
29
A concave mirror of radius of curvature 20cm has a pin placed at 15cm from its pole. What will be the magnification of the image formed?
Answer
(B)
2.00
30

Where will the image of the object OB shown in the diagram above be located after reflection from the mirror?

Answer
(D)
Between P and F
31
A parallel beam of light is to be obtained from the headlamp ofa car. At which of the following positions should the source of light be placed from the pole of its spherical minor?
Answer
(A)
At the focal point
32
The diagram above shows an incident ray A, inclined at angle of 50o to the interface CB. The ray OB is found to lie along the surface. What is the refractive index of the medium X with respect to air?
Answer
(E)
sin90o/sin40o
33

The diagram above shows an incident ray A, inclined at angle of 50º to the interface CB. The ray OB is found to lie along the surface. What is the refractive index of the medium X with respect to air?

Answer
(D)
sin40o/sin90o
34
The eye defect illustrated by the diagram above is
Answer
(B)
long sightedness
35
The eye defect illustrated by the diagram above is
Answer
(B)
long sightedness
36
A simple microscope forms an image twice the size of the object. If the focal length of the lens of the microscope is 20m, how far is the object from the lens?
Answer
(C)
30m
37
Which of the following pairs of light rays shows the widest separation in the spectrum of white light?
Answer
(E)
Red and indigo
38
Given that the gravitational constant is 7 X 10-11 Nm2kg-2, what is the force of attraction between 106kg mass of lead hanging one metre away from a 103kg mass of iron?
Answer
(C)
7x10-2N
39
Calculate the current in the 3Ω resistor shown in
the diagram above.
Answer
(B)
4.0A
40
What is the electric potential energy between two protons each of charge q and at a distance of r apart? (Permittivity of free space = εo)
Answer
(C)
q/4πεor
41
A work of 30 joules is done is transferring 5 millicoulombs of charge from a point B to a point A in an electric Held. The potential difference between B and A is
Answer
(D)
6.0 x103V
42
What is the value of R when G shows no deflection in the circuit illustrated above?
Answer
(D)
20Ω
43
A charge of 1.0 x 10-5 Coulombs experience force of 40N at a certain point in space. What is the electric field intensity?
Answer
(B)
4.00 x 106NC-1
44

If the frequency of the ac. circuit illustrated above is 500/π Hz what would be the reactance in the circuit? 

(Inductance (L) = 0.9H, Capacitance (C) = \(2 \times 10^{-6}\)

Answer
(D)
400Ω
45
Calculate the resistance of the filament of a lamp rates 240 V, 40 W
Answer
(D)
1440Ω
46
Birds can perch safely on overhead electric power cables without being electrocuted because
Answer
(E)
there is no p.d between the birds and the cables
47
A cell of e.m.f. 1.5 V and internal resistance of 2.59 is connected in series with an ammeter of resistance 0.59 and a resistor of resistance 7.09. Calculate the current in the circuit.
Answer
(A)
0.15 A
48
A rectangular coil of wire can rotate in a magnetic field. The ends of the coil are soldered to the two halves of a split ring. Two carbon brushes are made to press lightly against the split ring and when these are connected in circuit with a battery and rheostat, the coil rotates. This is a description of
Answer
(D)
an electric motor
49
How long will it take to heat 3 kg of water from 28oC to 88oC in an electric taking a current of 6 A from an e.m.f. source of 220V?
Answer
(C)
570s
50
Which of the following reduce(s) the effect of the back e.m.f. generated in the primary coil of an induction coil? The capacitor in the circuit II. The make and break contact in the circuit III. The ratio of turns in the secondary to that in the primary
Answer
(C)
I and II only
51
Which of the following particles conduct electricity through salty water?
Answer
(E)
Ions
52
When the pressure of the gas in a discharge tube is gradually lowered. I. there is a violet glow in the tube II. the glow in the tube splits into bands which get further apart. III, the glow and the bands eventually disappear and there is a green fluorescence in the tube. IV. the tube breaks into pieces. Which of the following are correct?
Answer
(B)
I and III only
53
Which of the following statements about the atom is/are correct? I. Energy is needed to remove electrons from an atom II. Particles in the nucleus of an atom are bound together by strong forces. III. A large amount of energy is required to separate the particles in the nucleus of an atom. IV. When the nucleus of a uranium atom is split, the energy released accounts for the difference in the masses of the products and the parent nucleus
Answer
(D)
II and IV only
54
The nucleon number and the proton number of a neutral atom of an element are 238 and 92 respectively. What is the number of neutrons in the atom?
Answer
(C)
146
55
Water does not drip through an open umbrella of silk material unless the inside of the umbrella is touched. Which of the following phenomena is responsible for this?
Answer
(A)
Surface tension
56
A radioactive substance has a half-life of 20 hours. What fraction of the original radioactive nuclei will remain after 80 hours?
Answer
(B)
1/16
57
A metal is illuminated with a radiation of energy 6.88eV If the kinetic energy of the emitted electrons is 1.5OeV, calculate the work function of the metal.
Answer
(C)
5.38eV
58
Viscosity in a liquid does not depend on the
Answer
(E)
normal reaction between the liquid layers
59
Which of the following is not crystal?
Answer
(D)
Glass
60
What is the difference between a crystalline and an amorphous solid? A crystalline solid
Answer
(B)
has regularly-repeating pattern while an amorphous solid has not