WAEC - Physics (1995)

1
Which of the following is a fundamental quantity?
Answer
(B)
Electric current
2
A boy cycles continuously through a distance of 1.0 km in 5 minutes. Calculate his average speed
Answer
(B)
3.3ms-1
3
A student found out from a simple pendulum experiment that 20 oscillations were completed in 38 seconds. What is the period of oscillation of the pendulum?
Answer
(D)
1.9 s
4
A body of mass 7.5 kg is to be pulled up along a plane which is inclined at 30o to the horizontal. If the efficiency of the plane is 75%, what is the minimum force required to pull the body up the plane?
(g = 10ms-1)
Answer
(C)
50.0 N
5
The angular speed of an object describing a circle of radius 4m with a linear constant speed of 10 ms-1 is
Answer
(C)
2.50 rad s-1
6
At what angle to the horizontal must the nozzle of a machine gun be kept when firing to obtain a maximum horizontal range for the bullets?
Answer
(D)
45. 0o
7
Which of the following will reduce the frequency of oscillation of a simple pendulum?
Answer
(C)
Increasing the length of the string
8
A car travelling at a uniform speed of 120km h-1 passes two stations in 4 minutes. Calculate the distance between the two stations.
Answer
(A)
8km
9
A machine has an efficiency of 60%. If the machine is required to overcome a load of 30 N with a force of 20 N calculate its mechanical advantage?
Answer
(C)
1.5
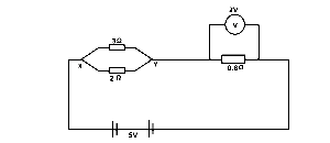
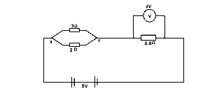
10
A body weighing 10 N in air is partially immersed in water. It displaces water of mass 0.3 kg. What is the upthrust on the body? (g = 10 ms-2)
Answer
(D)
3.0N
11
A mercury-in-glass thermometer reads - 20o at the ice point and 100o at the steam point. Calculate the celcius temperature corresponding to 70o on the thermometer.
Answer
(E)
75.0oC.
12
A brass rod is 2 m long at a certain temperature. Calculate the linear expansion of the rod for a temperature change of 100K. (Take the linear expansivity of brass as 1.8 x 10'5K").
Answer
(D)
0.0036m
13
A body of specific heat capacity 450J kg-1 K-1 falls to the ground from rest through a vertical height of 20m. Assuming conservation of energy, calculate the change in temperature of the body on striking the ground level. (g = 10ms-2)
Answer
(C)
4/9oC
14
Hot water at a temperature of t is added to twice that amount of water at a temperature of 30°C. If the resulting temperature of the mixture is 50°C. Calculate t.
Answer
(A)
90oC
15
An air bubble of volume 2 cm\(^3\) is formed 20m under water. What will be its volume when it rises to just below the surface of the water if the atmospheric pressure is equivalent to a height of 10m of water?
Answer
(A)
6cm3
16
The pressure of a given mass of gas changes from 200 Nm2 to 100 N m2, while its temperature drops from 127oC to - 73oC. Calculate the radio of the final volume of the gas to its initial volume.
Answer
(D)
1.0:1
17
The temperature of glass vessel containing 100cm3 of mercury is raised from 10oC to 100oC. Calculate the apparent cubic expansion of the mercury. (Real cubic expansivity of mercury = 1.82 x 10-4K-1) (Cubic expansivity of glass = 2.4 x 10-5K-1)
Answer
(B)
1.42cm3
18
An iron rod of mass 2kg and at a temperature of 280oC is dropped into some quantity of water initially at a temperature of 30oC. lf the temperature of the mixture is 70oC, calculate the mass of the water. (Neglect heat losses to the surroundings). Specific heat capacity of iron = 460 J kgK) (Specific heat capacity of water = 4200 Jkg K)
Answer
(C)
1.15kg
19
How much heat is required to convert 20 g of ice at 0oC to water at the same temperature? (Specific latent heat of ice = 336 J g-1)
Answer
(C)
6.72 x 103J
20
When two objects P and Q are supplied with the same quantity of heat, the temperature change in P is observed to be twice that in Q. lf the masses of P and Q are the same, calculate the ratio of the specific heat capacities of Q to P.
Answer
(D)
1 : 2
21
A ray of light is incident on mirror m1 and after reflection is incident on mirror m2 as shown in the diagram, calculate the angle of reflection of the ray at mirror m2
Answer
(E)
30o
22
A ray of light is incident on a body x as shown in the diagram above. What is the refractive index of the body?
Answer
(A)
1.63
23
Light travels in straight lines. In which of the following is this principle manifested? I. Pinhole camera II Formation of shadows III. Diffraction of light IV. Occurrence of eclipse
Answer
(D)
I, II and IV only
24
The image of any real object formed by a diverging lens is always
Answer
(C)
erect
25
Which of the following is not self-luminous?
Answer
(D)
The moon
26
An object is placed on the principal axis at the centre of curvature of a concave mirror. The image of the object formed by the mirror is
Answer
(E)
at the centre of curvature
27
A wire is stretched between two points, 1m apart. If the speed of the wave generated on plucking the wire is 200ms-1, what is the minimum frequency which will resonate with the wire?
Answer
(E)
200 Hz
28
Sixty complete waves pass a particular point in 4s. lf the distance between three successive troughs of the waves is 15m, calculate the speed of the waves,
Answer
(C)
112.5ms-1
29
Which of the following media allow(s) the transmission of sound wave through them? I. Air II. Liquid III. Solid.
Answer
(E)
I, II and III.
30
Which of the following wave characteristics can be used to distinguish a transverse wave from a longitudinal wave?
Answer
(D)
Polarization
31
A sound note of frequency 250 Hz and wavelength 1.3m is produced at a point near a hill. If the echo of the sound is received 1 second later at the point, how far away is the hill from the point?
Answer
(B)
162.5m
32
The period of a wave is 0.02 second. Calculate its wavelength if its speed is 330 ms-1
Answer
(A)
6.6m
33
An alternating voltage with a frequency of 50Hz has a period of
Answer
(A)
0.02s
34
A listener can detect the instrument from which a note is being sounded because different instruments produce the same note with a different.
Answer
(E)
overtones
35
What is the escape velocity of a body on the surface of the earth of radius R if the gravitational constant is G and the mass of the earth is M? (Neglect energy losses to the surroundings)
Answer
(D)
2GM/R
36
A charge of 1.6 x 10-10C is placed in a uniform electric field of intensity 2.0 x 105NC-1. What is the magnitude of the electric force exerted on the charge?
Answer
(C)
3.2 x10-5N
37
A balloon containing 546cm3 of air is heated from 0oC to 10oC. If the pressure is kept constant, what will be its volume at 10oC?
Answer
(D)
566cm3
38
Calculate the inductance L of the coil in the circuit shown below.
Answer
(C)
0.6H
39
Calculate the electric potential at a distance of 20.0cm from a point charge of 0.015C placed in air of permittivity (Take 1/4πεo as 9.0 x 109 Nm2C2)
Answer
(B)
6.75x105V
40
Calculate the inductive reactance of the circuit shown above.
Answer
(A)
50.00
41

If the current in the resistor R in diagram above is 0.05A, calculate the p.d. across the inductor.

Answer
(A)
2.5V
42
A capacitor of capacitance 25μF is connected to an a.c. power source of frequency 200 Hz. Calculate the reactance of the capacitor
Answer
(D)
100.00
43
The energy stored in a capacitor of capacitance 5μF is 40J. Calculate the voltage applied across its terminals?
Answer
(A)
4000V
44
The effective capacitance between points X and Y in the diagram below is 1.0μF, What is the value of the capacitance C, measured in micro-farad?
Answer
(D)
1.0μF
45
Calculate the quantity charge flowing through a conductor if a current of 10A passes through the conductor for 10s.
Answer
(A)
100C
46
An alternating current, having the waveform shown in the diagram above, is represented by the equation x = Xo sinwt. Which of the following represents Xo?
Answer
(C)
PQ
47
What is the potential difference between X and Y in the diagram above if the battery is of negligible internal resistance
Answer
(D)
3.0V
48
Calculate the current in the 30 resistor in the diagram above if the battery is of negligible internal resistance
Answer
(C)
1.0A
49
Which of the following is a wind instrument?
Answer
(B)
Organ
50
A cell of e.m.f 1.5V and internal resistance 2.552 is connected in series with an ammeter resistance 0.50 and a load of resistance 7.00. Calculate the current in the circuit
Answer
(A)
0.15A
51
Which of the following statements are not true of a moving-coil milliammeter? I. It can be used to measure alternating current II. It has a linear scale III. It can be adapted to read higher values of currents IV. A resistor connected in parallel with the milliammeter would convert it to a voltmeter
Answer
(A)
I and IV only
52
A radioactive nuclide of mass 6.09 has a half-life of 8 days. Calculate the time during which 5.25g of the nuclide would have decayed
Answer
(D)
24 days
53
A moving-coil meter with an internal resistance of 100 Ω has a full-scale deflection when a current of 10 mA flows through it. What value of resistance would convert it to read 10 V at full-scale deflection?
Answer
(D)
900
54
Which of the following are emitted from a radioactive substance without altering either the nucleon number or the proton number of the substance?
Answer
(C)
Gamma rays
55
Which of the following is not a product of nuclear fission?
Answer
(D)
X-ray