JAMB - Physics (2019 - No. 48)
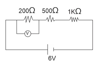
Three resistors with resistance 200Ω, 500Ω and 1kΩ are connected in series. A 6v battery is connected to either end of the combination. Calculate the potential difference between the ends of 200Ω resistance.
0.71V
0.7V
0.82V
0.8V
Explanation

Req = 200 + 500 + 1000 = 1700Ω
| P.d | (across | 200Ω) | = | 200
1700 |
× | 6 | = | 0.71V |
Comments (0)


